语言

致力于机电、机械、医疗等领域五金配件的研发与生产

产品系列

首页>产品系列>铁/不锈钢铰链

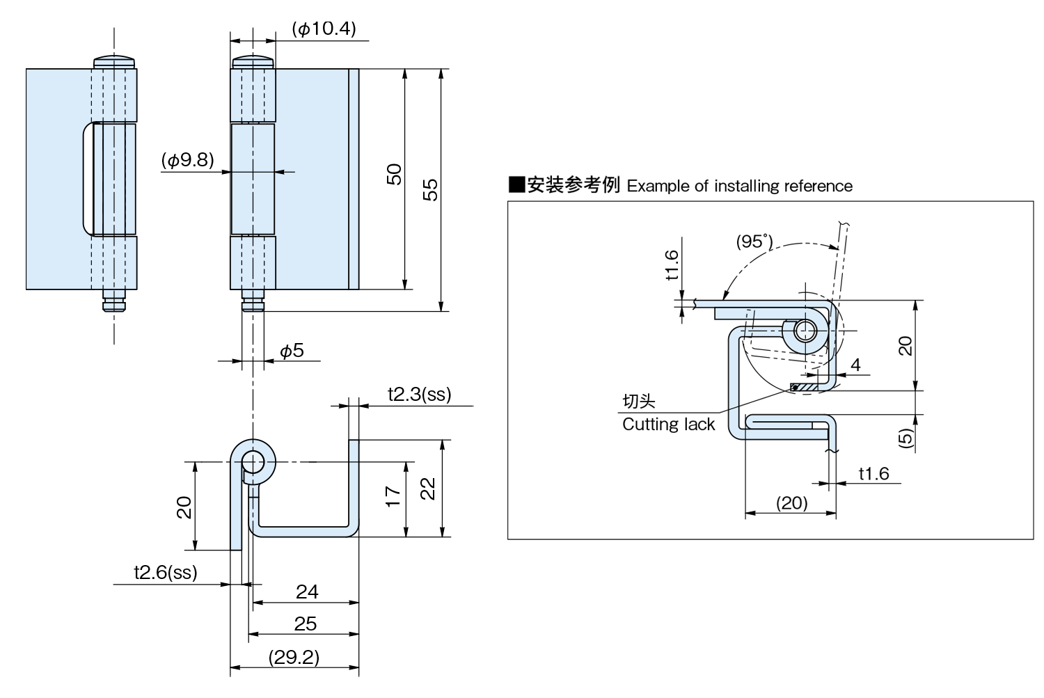
A-81-6(ss)

隐藏式铰链

  • 铰链
  • 合页
  • 柜门铰链
  • 电箱铰链
  • 特征 销子可以随意插拔,安装更方便
  • 材质 A-81-6/铁(SPCC)2.3t
  • 表面处理 镀锌
  • 用途 配电柜,分电盘,控制柜及其他各种箱柜。
  • 型号 备注 自重(g) 装箱数
  • A-81-6 / 91 50

Copyright © 2023 星本机电配件 All rights reserved

沪ICP备11024793号-1