语言

致力于机电、机械、医疗等领域五金配件的研发与生产

产品系列

首页>产品系列>铁/不锈钢铰链

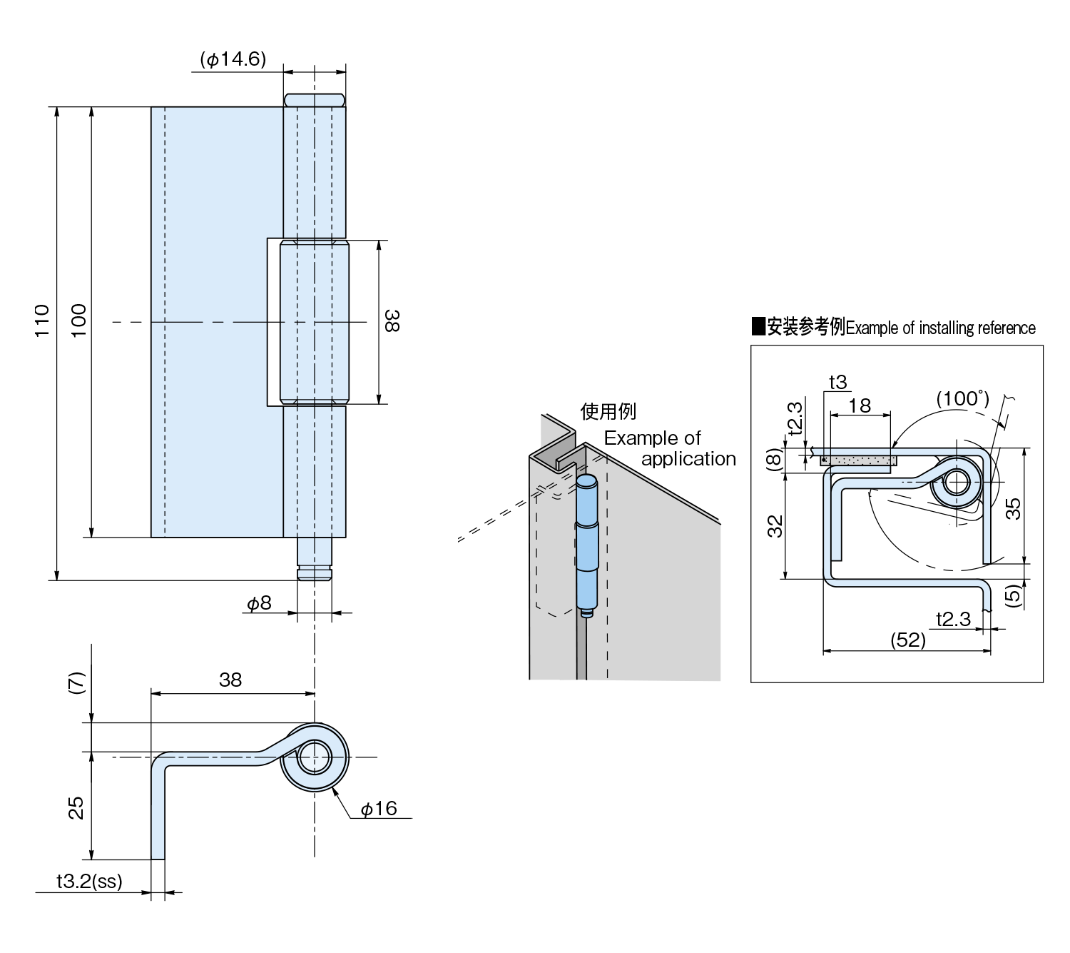
A-73(ss)·SA-73(sus)

防水型铰链

  • 铰链
  • 合页
  • 柜门铰链
  • 电箱铰链
  • 特征 >销子可随意插拔,安装更方便。
    >SA-73,采用优质不锈钢材料制造,具有超强耐腐蚀性能。
  • 材质 >A-73/铁(SS)
    >SA-73/不锈钢(SUS304)
  • 表面处理 A-73/销子镀锌
  • 用途 配电柜,分电盘,控制柜及其他各种防水型箱柜。
  • 型号 备注 自重(g) 装箱数
  • A-73 / 260 20
  • SA-73 / 253 20

Copyright © 2023 星本机电配件 All rights reserved

沪ICP备11024793号-1